华东理工大学化工原理思考题(3)

本站小编 免费考研网/2018-01-08


相关话题/化工原理

  • 领限时大额优惠券,享本站正版考研考试资料!
    大额优惠券
    优惠券领取后72小时内有效,10万种最新考研考试考证类电子打印资料任你选。涵盖全国500余所院校考研专业课、200多种职业资格考试、1100多种经典教材,产品类型包含电子书、题库、全套资料以及视频,无论您是考研复习、考证刷题,还是考前冲刺等,不同类型的产品可满足您学习上的不同需求。 ...
    本站小编 Free壹佰分学习网 2022-09-19
  • 化工原理(华东理工大学)-精馏-[考研大题]
    本站小编 免费考研网 2018-01-08
  • 化工原理(华东理工大学)-流体机械输送-[考研大题]
    本站小编 免费考研网 2018-01-08
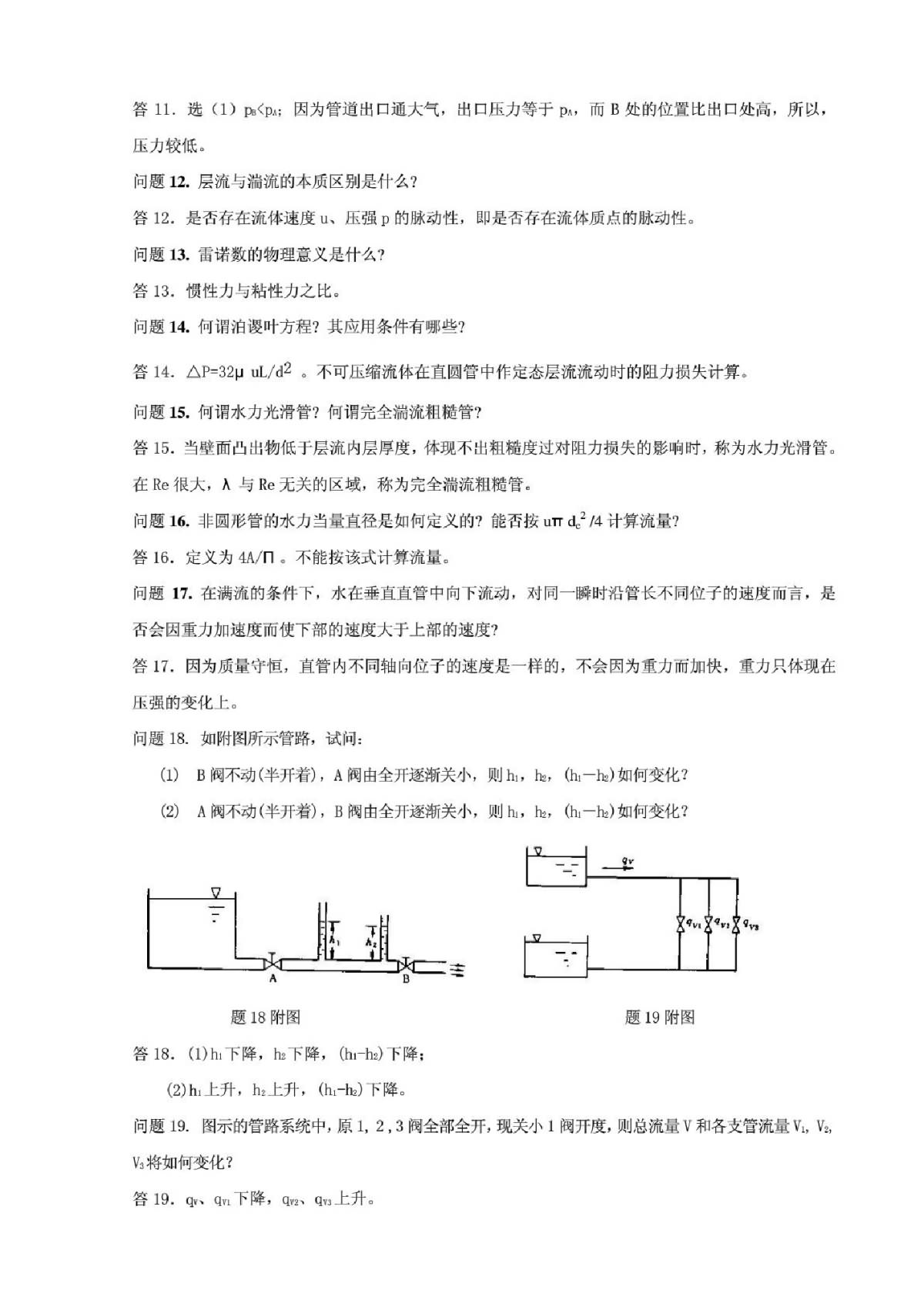
  • 化工原理(华东理工大学)-流体流动-[考研大题]
    本站小编 免费考研网 2018-01-08
  • 化工原理(华东理工大学)-绪论-[考研大题]
    本站小编 免费考研网 2018-01-08
  • 江汉大学2018年化工原理考研大纲
    江汉大学2018年硕士研究生入学考试自命题科目考试大纲科目名称:化工原理 编号:802一、考察性质化工原理考试是为江汉大学招收硕士研究生而设置的具有选拔性质的自主命题的入学考试科目,其目的是科学、公平、有效地测试本专业和跨专业学生掌握大学本科阶段化工原理课程的基本知识、基本理论,以及运用化工原理基本 ...
    本站小编 免费考研网 2018-01-02
  • 北京科技大学2018年化工原理概论考研大纲
    自命题考试大纲化工原理概论819-化工原理概论一、考试目的本课程是化工专业的学科基础课程,重点介绍化工单元操作的基本原理、典型设备及其计算,主要的单元操作为流体流动和流体输送机械、非均相物系的分离和固体流态化、传热、蒸馏、吸收、蒸馏和吸收塔设备、液-液萃取、干燥及分离新技术。考试目的是 ...
    本站小编 免费考研网 2018-01-02
  • 山东大学2018年化工原理考研大纲
    837-化工原理一、考试目的《化工原理》是化工及化工相关专业的专业基础课程,以传递过程(动量传递、传质和传热)和其研究方法为主线,涵盖了化工生产中涉及的主要单元操作过程。主要研究化工单元操作基本原理、典型设备的设计与操作调节。通过考试,测试考生对于化工专业相关的基本概念、基本理论、基础原理的掌握情况 ...
    本站小编 免费考研网 2018-01-02
  • 2018年天津工业大学硕士研究生化工原理考试大纲
    天津工业大学硕士研究生入学考试业务课考试大纲科目编号:806 科目名称:化工原理一、考试的总体要求要求考生全面掌握、理解、灵活运用教学大纲规定的基本内容。要求考生具有熟练的运算能力、分析问题和解决问题的能力。答题务必书写清晰,过程必须详细,应注明物理量的符号和单位。不在试卷上答题。二、考试的内容及比 ...
    本站小编 免费考研网 2018-01-02
  • 2018年华东理工大学化工原理考研大纲
    化工原理考试大纲1、流体流动。流体静力学;质量守恒;流动流体的机械能守恒;阻力损失;管路计算;流体流量的测定;非牛顿流体的特性。2、流体输送机械。离心泵;往复泵;气体输送。3、液体搅拌。混合机理;搅拌器的性能;搅拌功率;搅拌器的放大。4、流体通过颗粒层的流动。颗粒床层特性 ...
    本站小编 免费考研网 2018-01-02
  • 上海大学2018年化工原理(专)考研初试大纲
    考试科目:924化工原理(专)一、复习大纲第1章 流体的流动1. 流体压力的单位和基准;2. 流体静力学方程及其应用;3. 连续性方程、柏努利方程及其应用;4. 流体流动类型与雷诺准数;流体在圆管内的速度分布;5. 流体流动的阻力计算:(i) 直管阻力:层流与湍流的摩擦阻力,管路粗糙度及量纲分析法; ...
    本站小编 免费考研网 2017-09-17
  • 上海大学2018年化工原理考研初试大纲
    考试科目:853化工原理一、复习大纲第1章 流体的流动1. 流体压力的单位和基准;2. 流体静力学方程及其应用;3. 连续性方程、柏努利方程及其应用;4. 流体流动类型与雷诺准数;流体在圆管内的速度分布;5. 流体流动的阻力计算:(i) 直管阻力:层流与湍流的摩擦阻力,管路粗糙度及量纲分析法;(ii ...
    本站小编 免费考研网 2017-09-17
  • 2018年华侨大学化工原理考研初试大纲
    2018年华侨大学硕士研究生招生考试初试自命题科目考试大纲招生学院:化工学院招生专业:化学工程与技术(化学工程、化学工艺、应用化学、工业催化、制药工程)、化学工程科目名称:化工原理一、考试形式与试卷结构(一)试卷满分值及考试时间本试卷满分为150分,考试时间为180分钟。(二)答题方式答题方式为闭卷 ...
    本站小编 免费考研网 2017-09-17
  • 2018年山东理工大学化学工程学院945化工原理考研题库【名校考研真题+参考教材课后习题+章节题库】
    下载地址:http://free.100xuexi.com/Ebook/96068.html说明:本全套资料免费下载,共包括6种电子书。使用全套资料密码激活后,全套资料里的所有电子书、所有题库均可使用。1.全国名校考研真题 [3D电子书]全国名校化工原理考研真题汇编(含部分答案)[免费下载]说明: ...
    本站小编 福瑞考研网 2017-02-26
  • 2018年南京师范大学化学与材料科学学院844化工原理考研全套资料
    下载地址:http://free.100xuexi.com/Ebook/147574.html说明:本全套资料免费下载,共包括9种电子书、4个文件资料。使用全套资料密码激活后,全套资料里的所有电子书、所有题库均可使用。1.历年考研真题 [3D电子书]南京师范大学化学与材料科学学院844化工原理历年 ...
    本站小编 福瑞考研网 2017-02-14
  • 2018年河北工业大学海洋科学与工程学院858化工原理(II)考研全套资料
    下载地址:http://free.100xuexi.com/Ebook/154380.html说明:本全套资料免费下载,共包括9种电子书、4个文件资料。使用全套资料密码激活后,全套资料里的所有电子书、所有题库均可使用。1.名校考研真题 [3D电子书]全国名校化工原理考研真题汇编(含部分答案)[免费 ...
    本站小编 福瑞考研网 2017-02-14