大连理工大学843传热学考研计算推导证明题库无答案版(5)

本站小编 免费考研网/2019-12-25


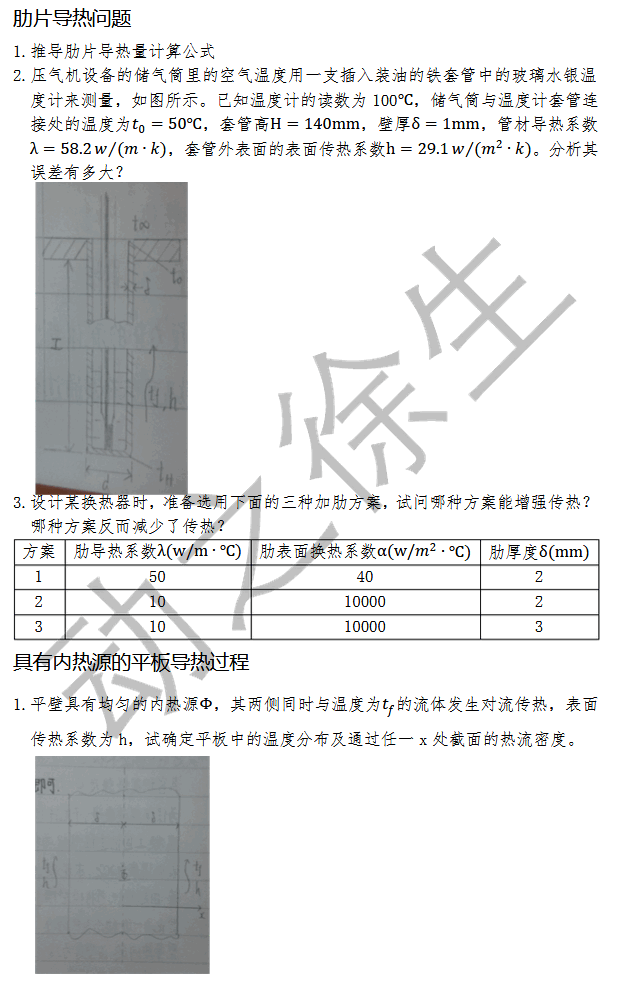
相关话题/大连理工大学