2015机械制造技术基础真题完整版
一.判断题(1'×10)。
1.工序是工艺规程的基本单元。
2.连接两个执行机构之间的传动链均为内传动链。
3.γ的增大会使刀具的前刀面摩擦增大。
4.粗加工阶段主要是完成次要表面的加工。
5.用等公差法来分配封闭环的公差,没有考虑到各个零件的加工难度,尺寸的大小。
6.滚动轴承作为主轴轴承的情况,对于工件回转类机床,起作用的是轴承内圈外滚道的圆度误差。
7.过定位和欠定位都是绝对不允许的。
8.积屑瘤是在中等速度下产生,因此精加工常用高速度加工。
9.
的值越小越好。
10.刀具后角可以为负值。
二.单选题(2'×20)。
1.哪个选项不是影响加工余量的因素。( )
A .本工序的公差 B.前一工序遗留的
C.前一工序的公差 D.前一工序的粗糙度
2.减少磨削烧伤的方法。( )
A.工件的旋转速度增加 B.减少砂轮的粗糙度
C.增加砂轮的硬度 D.增大砂轮的粒度
3.影响冷作硬化的因素。( )
A.刃口圆弧半径增大,对表面挤压增大,冷作硬化程度减小
B.刃口圆弧半径增大,对表面挤压减小,冷作硬化程度减小
C.刃口圆弧半径增大,对表面挤压增大,冷作硬化程度增大
D.刃口圆弧半径增大,对表面挤压减小,冷作硬化程度增大
4.影响切削力的因素从大到小( )
A.
B.
C
D.
5.铸铁,青铜等工件应选什么毛坯。( )
A.锻件 B.铸件 C.型材 D.焊接件
6.减少误差复映的方式有哪种。( )
A.多次走刀 B.降低刀具的刚度
C.降低接触刚度 D.降低工件的刚度
7.夹紧力的确定中哪项正确。( )
A.装配精度 B.夹紧机构 C.安全系数 D.方向,作用点,大小
8. 变形系数ε=( )
A.
B.
C.
D.
9.自然热电偶测量出的是哪里的温度。( )
A.平均切削温度 B.温度场 C.刀具某点温度 D.工件某点温度
10.安装的定义是什么。( )
A.一个工序在零件的几次装夹下完成。
B.工件在机床上所占有的一个位置所完成的那部分工作。
C.将工件固定在既定的位置上,保证机械加工的正常运行。
D.工件在机床应准确的占有合适的位置。
11.从带状切屑到单元切屑的过渡条件是什么。( )
A.切削塑性材料时,由较小的进给速度和较大的前角转为较大的进给速度和较小的前角(或为负前角)。
B.切削塑性材料时,由较小的进给速度和较小的前角(或为负前角)转为较大的进给速度和较大的前角。
C.切削塑性材料时,由较大的进给速度和较大的前角转为较小的进给速度和较小的前角(或为负前角)。
D.切削塑性材料时,由较大的进给速度和较小的前角(或为负前角)转为较小的进给速度和较大的前角。
12.与切削温度关系比较大的刀具角度有。( )
A.前角和后角 B.前角和主偏角
C.后角和后偏角 D.前角和刃倾角
13.使工件在切削中产生振动的力是什么。( )
A.切削力 B.进给力 C.背向力 D.轴向力
14.在粗加工铸铁时,选用:( )
A.YG3 B.YG8
C.YT5 D.YT30
15.钻削时,传出热量占比最大的是什么。( )
A.工件 B.切屑 C.热对流 D.空气
16.前刀面磨损的条件是什么。( )
A.切削塑性材料时,切削速度和切削厚度较大。
B.切削铸铁和以较小的切削厚度切削塑性材料时。
C.刀刃的前后刀面上压应力和剪应力很大,工件外表面形成很高的应力梯度。
D.由于加工硬化作用,靠近刀尖部分副切削刃打滑。
17.车间内某一工序的生产率限制了整个车间的生产率提高时,该工序的耐用度要选的( )
A.大 B.小 C.大小均可
18.下列的几种刀具材料,那种容易破损( )
A.金刚石 B.陶瓷刀具 C.硬质合金刀具 D.立方氮化硼
19.切削塑性材料时,切削速度高,切削厚度大会产生哪类磨损?( )
A.月牙洼磨损 B.后刀面磨损 C.边界磨损 D.硬质点磨损
20.粗加工时怎样选择后角?( )
A.较大后角 B.较小后角 C.大小均可
三.多选题。(少选得1分,多选不得分,3'×10)。
1.进行内孔车削加工时,如果刀尖低于工件旋转中心,则会产生:( )
A.刀具工作前角大于标注前角 B.刀具工作前角小于标注前角
C.刀具工作后角大于标注后角 D.刀具工作后角小于标注后角
2.高速钢刀具的主要磨损原因是:( )
A.扩散磨损 B.机械磨损 C.粘结磨损 D.热电磨损
3.加工什么材料易发生边界磨损:( )
A.钢件 B.铸件 C.锻件 D.焊接件
4.氧化铝陶瓷的磨损形式有:( )
A.扩散磨损 B.粘结磨损 C.机械磨损 D.化学磨损
5.加工基准按用途包括哪些:( )
A.定位 B.校对 C.测量 D.检验
6.属于机床的几何误差的是:( )
A.主轴的径向跳动 B.主轴的轴向跳动
C.导轨的直线度误差 D.传动链误差
7.通过结构设计上的措施减少机床热变形对加工精度的影响有:( )
A.热对称结构设计 B.使关键件的热变形在误差不敏感方向移动
C.合理安排支撑位置 D.对发热大的热源采取足够的冷却措施
E.扩散关键件的温升
8.减少工件热变形对加工精度的影响的措施有:( )
A.在切削区域施加充分冷却液,降低切削速度
B.提高切削速度和进给量
C.工件在精加工前有充分的时间间隔
D.刀具和砂轮经常刃磨和修正
E.采用弹簧后顶尖或者启动后顶尖
9.哪些是通过减少表面残留面积高度来减少表面粗糙度:( )
A.减小主偏角 B.减小副偏角 C.减少进给量
D.提高切削速度 E.增大前角 D.增加背吃刀量
10.进给量与背吃刀量对切削力的影响,表现及原因有:( )
A.二者增大时切削力都会增大,只是影响程度不同
B.进给量增大会使变形系数减小,其影响要比背吃刀量小些
C.背吃刀量增大会改善散热条件,其影响要比进给量小些
D.进给量增大会使摩擦系数减小,其影响要比背吃刀量小些
四. 刀具材料选择(1'×5 )
1.齿轮刀具
2.粗车40
3.精车调制刚轴
4.复印机硅铝合金光鼓精车
5.精加工淬硬钢轴
五.分析材料题(16')
1.高锰钢有如下特点:
(1)高锰钢极易产生加工硬化;
(2)高锰钢的导热系数很小;
(3)高锰钢具有很强的韧性。
问题:请根据上述材料,
(1)选择合理的加工高锰钢的刀具材料;
(2)合理的刀具几何参数;
(3)合理的切削用量。
2.如下图所示:
(1)画出误差的图形;
(2)写出计算误差的公式;
(3)分析是由于机床的那种误差引起的。
六.在两台相同的自动车床上加工一批小轴的外圆,要求保证直径Φ11
,第一台加工1000件,其直径尺寸按正态分布,平均值
=11.005mm,均方差
=0.004mm。第二台加工500件,其尺寸也按正态分布,且
=11.015mm,
=0.0025mm。试求:
(1)在同一图上画出两台机床加工的两批工件的尺寸分布图,并指出哪台机床的精度高。
(2)计算并比较两台机床的废品率,分析原因并提出改进的办法。
七.如图所示为阶梯轴工件装夹方案,其中
,
,2e=0.02mm,
,
,
。本工序为最后工序,在立式铣床上加工一平面,要求
,
mm。
(1)通过分析和计算指出该方案的欠妥之处,并说明该方案能否满足工序要求;
(2)分析该工件采用V形块定位的可能性;
(3)设计可行的装夹方案,分析定位误差,简要说明设计方案的合理性。

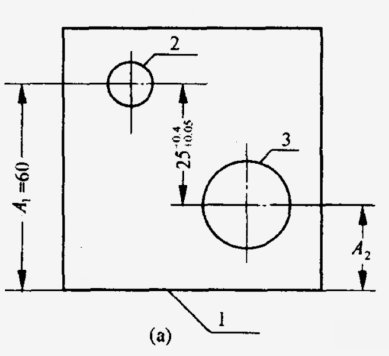
八如图所示,以工件底面1为定位基准,镗孔2,然后以同样的定位基准,镗孔3.设计尺寸25+0.05+0.4mm,不是直接获得,试分析:
(1)加工后,如果
600+0.2,
35-0.20是否能得到保证?
(2)如果在加工时确定
的尺寸为600+0.2,
为何值时才能保证尺寸25mm,上下偏差分别为+0.4,+0.05的精度。

2015年机械制造技术基础答案解析
一.判断题。
1.正确。贾振元书
原话。
2.错误。内传动链是有准确传动比要求的连接一个执行机构和另一个执行机构的之间的传动链。
3.错误。前角增大时,剪切角
也随之增大,金属塑性变形减小,变形系数
减小,沿前刀面的摩擦力也减小。
4.错误。粗加工阶段的目的主要是高效率的去除各加工表面上的大部分余量,并为半精加工提供基准。
5.正确。等公差值分配封闭环的公差的方法很简单,但没有考虑到各个零件(组成环)加工的难易,尺寸的大小,显然是不够合理的,但用的广泛。
6.错误。对工件回转类机床,起重要作用的是轴承内圈外滚道的圆度误差,对刀具回转类机床,起重要作用的轴承外圈内滚道的圆度误差。
7.错误。欠定位时,工件的位置精度将无法保证,这是不允许出现的情况。定位元件过多,而使工件的一个自由度同时被两个以上的定位元件限制,超定位是可以被允许的。
8.正确。切削速度低时,使切削温度降低,粘结现象不易发生,高速切削时,切削温度高于积屑瘤存在的相应温度。精加工时,积屑瘤凸出刀刃部分使加工表面切得非常粗糙,因此在精加工时,必须设法避免或减小积屑瘤。
9.错误。陈日曜金属切削原理原话,
越大,切削加工性越好;
越小,切削加工性越差。
10.错误。后角表示主后刀面的倾斜程度,一般为正值。
二.单选题。
1.A 影响加工余量的因素有:(1)前一工序的公差
(2)前一工序所遗留的表面粗糙度值
和表面缺陷层深度
(3)前一工序所形成的工件空间误差
(4)本工序的安装误差
2.A. 减少磨削烧伤的方式有:(1)增加进给量,可以降低表面层温度,因而可以减少烧伤现象。(2)增加工件速度虽然提高了最表层温度,但是可以减少烧伤层厚度。(3)选用较软的砂轮,可以减少烧伤。砂轮的硬度的太高,用钝的砂粒不能及时脱落。(4)实用冷却润滑液,给工件降低温度。
3.C.
贾振元书中原话,刃口圆弧半径增大,对表面层的挤压作用加大,使冷硬增加。
4.A. 金属切削原理小册子中例3.18详解。
5.B.
贾振元书中原话,材料如铸铁和青铜的零件应选择铸件毛坯。
6.A. 减少误差复映的途径即减少工艺系统的受力变形:(1)多次走刀(2)合理的结构设计(3)提高刀具和工件的耐用度(4)提高接触刚度(5)减少载荷及其变化。
7.D.
贾振元书中原话,所需夹紧力的确定应考虑夹紧力的三要素:方向,作用点和大小。
8.B.
贾振元书中原话,切屑厚度与切削层厚度之比称为厚度变形系数
;而切削层长度与切屑长度之比称长度变形系数
。
9.A.
陈日曜金属切削原理书中原话,自然热电偶法测出来的是刀具与工件接触面上切削温度的平均值。
10.A.
贾振元书中原话,一个工序有时在零件的几次装夹下完成,这时在零件每装夹一次下所完成的那部分工作称为一次安装。
11.A. 带状切屑:切削塑性材料,进给量较小,切削速度较高,刀具前角较大时,生成此类切屑。单元切屑:切削塑性材料,前角较小(或为负前角),切削速度较低,进给量较大时易产生单元屑。
12.B. 增大前角,切削力下降,产生的切削热量减少,切削温度降低。但是前角过大时,由于刀具楔角变小,而散热体积减小,由刀具传出的热量减少,使切削温度反而上升。而主偏角减小时,刀尖角
增大,使刀尖强度提高,刀尖散热体积增大。
13.C.
陈日曜金属切削原理书中原话,
----切深抗力,背向力,径向力,吃刀力,它是处于基面内并与工件轴线垂直的力,用来确定与工件加工精度有关的工件挠度,计算机床零件和车刀强度。它也是使工件在切削过程中产生振动的力。
14.B. YG8适用于铸铁,有色金属及其合金与非金属材料连续加工,不平整断面和间断切削时的粗车,粗刨,粗铣,一般孔和深孔的钻孔,扩孔。
15.B. 钻削时,传出热量占比按大小依次是钻屑,工件,刀具,空气。
16.A.
陈日曜金属切削原理书中原话,切削塑性材料时,如果切削速度和切削厚度较大,由于切屑与前刀面完全是新鲜表面相互接触和摩擦,化学活性很高,反应很强烈,接触面又有很高的压力和温度,接触面积中又有80%以上是实际接触,空气或切削液深入比较困难,因此在前刀面上形成月牙洼磨损。
17.B.
贾振元书中原话,当某一零件是整个机器生产过程中的薄弱环节时,有时会选最高的生产率方案,此时虽然专用设备有一些闲置,从局部来看或许并不是最经济的,但从全局看却是经济的。最高生产率对应低耐用度。
18.B. 据统计,硬质合金刀具约有50—60%的损坏是脆性破损,陶瓷刀具的破损比例更高。
19.A. 同16题答案。
20.B. 粗加工时,切削厚度很大,前刀面上的磨损量加大,这时后角取小些可以增强切削刃以及改善散热条件。
三.多选题。
1.BC
贾振元书中原话,车刀车削外圆时,在正交平面内,刀具工作前角增大,工作后角减小。内控镗削时,对工作角度的影响和外圆车削是相反的。
2.BC.
陈日曜金属切削原理书中原话,对于耐热性较低的高速钢刀具,根据不同的切削条件,其磨损的主要原因是硬质点磨损和粘结磨损。而硬质合金刀具主要是粘结磨损的扩散磨损。加工钢,铁件时,氧化铝陶瓷刀具主要是伴随着微小崩刃的机械磨损和粘结磨损。
3.BC.
陈日曜金属切削原理书中原话,加工锻件,铸件等外皮粗糙的工件,也容易发生边界磨损。
4.BC. 答案同第2题。
5.ABCD。
贾振元书中原话,加工基准的用于包括:定位,校对,测量,检验。
6.ABCD。机床的几何误差包括:(1)主轴的几何偏心,即主轴的回转误差(主轴的径向,轴向跳动,摆动)(2)导轨误差(3)传动链误差。
7.ABCDE
贾振元书中原话,结构设计措施:(1)热对称结构设计(2)使关键件的热变形的误差不敏感方向移动(3)合理安排支撑位置,使热位移有效部分缩短(4)对发热大的热源采用足够的冷却措施(5)均衡关键件的温升。
8.ABCDE.
贾振元书中原话:(1)(2)(3)(4)(5)。
9.ABC。
贾振元书中原话,表面粗糙度的推导公式:
和
,所以减小主偏角,减小副偏角和减小进给量都可以减少表面粗糙度。
10.ABD。
金属切削原理小册子例3.17,例3.18详解。
四.刀具材料选择。
(1)高速钢
(2)YT5
(3)YT30
(4)金刚石
(5)立方氮化硼
五,材料分析题。
1.由分析可知,该刀具应选择YW1。
高锰钢容易发生加工硬化,所以选择较大前角,前角越大,切削层金属的塑性变形越小,硬化层深度越小。又因为高锰钢的导热系数小,所以选择较小后角,较小的主偏角,后角和主偏角取小一点,可以增强切削刃以及改善散热条件。刃倾角主要影响主切削刃的强度和切屑流出的方向,一般选择正的刃倾角。
选用小的进给量,切削速度大到一定程度可以恰好使硬化层深度最小,背吃刀量对硬化程度影响不大,又因为高锰钢具有很强的韧性,所以应取小一点。
2.(1)
锥形
(2)
(3)刀具进给方向与主轴的回转轴线不平行;
刀具磨损;
误差复映。
六.当时考试的时候,大连理工大学的试卷上此题的关键数字没有打印上去,除了大连地区,全国所有报考大工的考生试卷均没有得到改正,为了公平起见,此题作废。工艺学小册子上有一道题与之类似,
例题3.10可以参考一下。
七.
(1)原装夹方案存在以下不足:
1.欠定位,
无法保证。
2.
,所以不能用大端定位。
3.工件较长,加工部位刚度太弱。
4.夹紧力作用于定位支承之外,会使工件翻覆。
(2)若采用V型块在小端定位,消除工件4个不定自由度,可避免大端误差和同轴度误差引起的定位误差。但此时定位误差当α=90°或120°时均大于
,故不宜采用V型块定位。
(3)设计方案如图所示:
1.在工件小端设计一支承钉
2.小端采用长直角支承板定位
3.夹紧力作用在直角支承板上,尽量靠近切削部位,以提高夹紧的可靠性。
4.在大端增设辅助支承,提高定位的稳定性。

八.
根据加工过程可得工艺尺寸链如图所示:
其中
为封闭环。
(1)因为封闭环公差:
,所以保证不了尺寸25+0.02+0.4mm.
(2)当尺寸链中的组成环
=600+0.2mm,封闭环
=25+0.05+0.04mm,可通过尺寸链求得
=35-0.2—0.05mm。
