前言:这门课有点变态,所以,为了造福广大的学弟学妹们,学长考完整理了我们这届的考题,因为是根据回忆整理的,所以题目表述不太一样,但是意思都差不多,还有就是答案是我自己写的,只能作为参考
填空题:10*2 = 20
隔离的两种方式:光电耦合、电磁耦合
建立模型的三种方法:___________、_________、_____________
理论分析法、类比分析法、数据分析法
医学电子仪器从功能上分类可分为生理信号_______和_________
不确定,不误导你们了
医学仪器的输入阻抗是_________________,信号放大电路的输入阻抗主要决定于_________
不确定,不误导你们了
目前检测心输出量的主导方法是________,检测脉搏的主导方法是__________
Fick法 光电容积式脉搏测量
血压直接测量法包括哪两类?_________________、__________________
血管外传感器、血管内传感器
除颤波形分类有:______________、_____________(书上是三种,考题只有两个空)
低能量双相方波 、低能量双相切角指数波
噪声分类:_____________、__________、___________
1/f噪声、热噪声、散粒噪声
干扰形成包括的三个条件:_________、__________、_____________
干扰源、耦合通路、敏感电路
两类陷波器名称______________、____________
双T有源陷波器、文氏桥式陷波器
简答题:6*5 = 30
抑制电感性耦合的方法:
1、远离干扰源,削弱干扰的影响
2. 采用绞合线的走线方式。
3、 尽量减少耦合通路,即减少面积A和cosθ值。
心电图机前置放大电路结构是什么?此电路的特性是什么?
同相并联前置查分放大电路
高输入阻抗、高共模抑制比、低噪声、低漂移、保护电路、线性工作范围尽可能大
简述心电图机阻尼检测方法:
检测方法:机器接通电源后,导联选择开关置“Test”位(1mV位)。灵敏度调于10mm/mV,走纸,不断打出标准电压的矩形波,并观察波形。
阻尼过大的波形折角处圆滑。阻尼过小的波形折角处出尖脉冲。一般用定标波形检验阻尼状况,定标波形方波不发生畸变即阻尼适中。(最好把三种阻尼情况的图形画出来)
脑电图机中简述头皮电阻检测电路的工作原理(有电路图)
书上P139
简述血压传感器标定原理:(有电路图)
书上P171
下图的时间常数是多少?在心电图机中是否符合要求?时间常数的选取怎样才
第2/4页
是合适的?
3,3s>3,2s 满足国际标准
其中R增大,热噪声 增大
C增大 Zc减小,从而使得滤波的截止频率降低,保护了心电的低频成分,但电容的噪声也增大,因此时间常数必须适中
综合题:5*10 = 50
详细描述国际标准十二导联体系:要求有,导联名称、电极安放位置以及电极连接方式(最好有图有真相)
这个太多了,学弟学妹们自求多福吧 = =
下图是心电图机的输入部分,请描述其工作原理及过程。
分为三个部分表述,高压保护电路、高频滤波电路、低压保护电路每部分都要详细说一下,ppt上面有的。
心电图机为什么要采用右腿驱动电路?它的工作原理和等效电路图。
增大共模抑制比,
原理:右腿不直接接地,而是接到辅助放大器A3的输出端。从两电阻Ra结点检出共模电压,它经辅助的反相放大器放大后,再通过电阻R0反馈到右腿。
第3/4页
好处:人体的位移电流不再流入地,而是流向 R0 和辅助放大器的输出端。
R0 的安全保护作用:当病人和地之间出现很高电压时,辅助放大器A3饱和,右腿驱动电路不起作用, A3 等效于接地。R0电阻这时就起限流保护作用,其值一
般取5MΩ。
血压测量示波法(测振法)的工作原理,及测振法血压判定方法,并分析误差产生原因。
书上P174,要把原理图画出来,根据图描述更清楚一些 = =
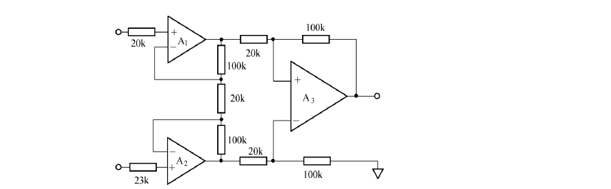
计算题:
书上原题不解释,P69
后记:学长只能帮你们到这了„..撒花
= =



