2013年清华大学电路原理考研真题
1、(1)理想变压器+并联谐振:理想变压器的副边借有并联的电感与电容,告诉了电感与电容支路的电流表读数相等,由这个条件可求出电路工作的频率值,再代入原边的电感值计算得到原边电路的阻抗,最后求出原边电流;(2)卷积:是一个指数函数和一个延时正比例函数的卷积,直接用公式计算即可 ...
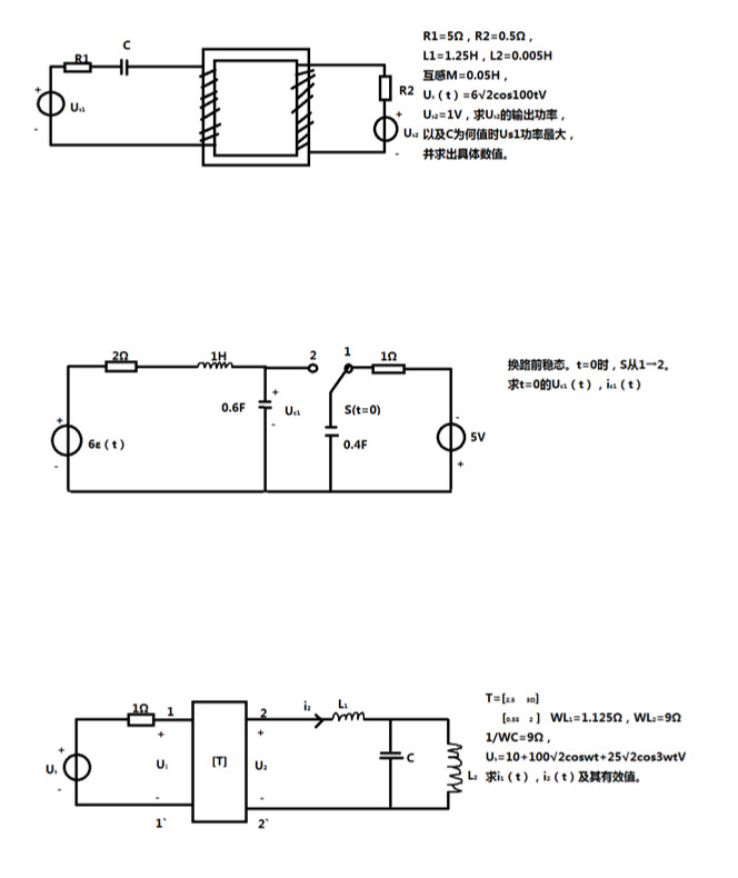
专业课考研资料 本站小编 免费考研网 2015-06-27- 专业课考研资料 本站小编 免费考研网 2015-06-25
- 专业课考研资料 本站小编 免费考研网 2015-06-17
- 专业课考研资料 本站小编 免费考研网 2015-06-17
- 专业课考研资料 本站小编 免费考研网 2015-06-17
1、电路的概念、作用、组成以及各部分的作用;
电路模型以及常用理想模型;
2、电流的定义、电流强度、方向、参考正方向的性质;
电压定义、单位、方向;关联方向和非关联方向;
欧姆定律。功率的定义,功率正负的意义。
电路吸收或发出功率的判断。
3、电阻元件的定义、单位、功率;电压源、电流源的模型以及特点;四 ...
专业课考研资料 本站小编 免费考研网 2015-06-082003年福州大学研究生入学试题
专业:西方经济学 科目:经济学综合 编号:438
一.名词解释(每小题5分,共35分) 1.替代效应和收入效应 2.帕累托最优状态 3.结构性通货膨胀 4.挤出效应
5.私人劳动与社会劳动 6.不变资本与可变资本 7.绝对地租与级差地租
二.简要回答下列问题(每小题10分,共30分) 1.基数效用理论是 ...
专业课考研资料 本站小编 免费考研网 2015-06-052004年福州大学研究生入学试题
专业:西方经济学 科目:经济学综合 编号:438
一、名词解释(每小题5分,共35分) 1.机会成本与生产可能性曲线 2.净投资与存货投资
3.货币的交易需求与投机需求 4.经济增长与经济周期 5.萨伊定律与凯恩斯定律 6.消费者均衡与消费者剩余 7.帕累托最优状态与社会福利函数
二.简要回答下 ...
专业课考研资料 本站小编 免费考研网 2015-06-05福州大学2012年招收硕士研究生入学考试试卷
招生学院 管理学院
考试科目名称(全称) 管理学综合 科目代码 838
所有答案必须写在答题纸上,做在试题纸或草稿纸上的一律无效。答题时必须写清题号。
一、名词解释(5题)
1.组织文化 2.标杆比较 3.保健因素 4.反馈控制 5.程序与规则
二 ...
专业课考研资料 本站小编 免费考研网 2015-06-05- 专业课考研资料 本站小编 免费考研网 2015-06-01